Speedometer not working (all other gauges work)

Naturally aspirated tech and talk
Synapse120
Posts: 25
Joined: Sat Jan 15, 2022 3:16 am
Has thanked: 2 times
Been thanked: 8 times
I’ve been reading all the posts in various threads as i’ve been trying to track down why the only gauge in my car that doesn’t work is the speedometer (and odometer). On connector B pin 16 i have ~12.7V. On Connector B pin 15 with the key in the on position i only have 4.3V or 4.7V (i have two sunroof relays). Traced this back to the sunroof relay in the fuse box labeled A.

I have the speedometer on the bench with 12 volts on pin 16, and 12 volts on pin 15, when i tap pin 14 to ground on and off to simulate a ground pulse, i see the needle bounce.

I’ve tested continuity from the transmission sensor to pin 14, and have tested the car with two sensors in the transmission (the gear inside the sender turns when the wheel turns).

I’m looking for advice if pin 15 should be 12V, and what else i could check to get my speedometer functional

#1

User avatar
Lowencash
Posts: 43
Joined: Wed Oct 13, 2021 4:51 pm
Has thanked: 38 times
Been thanked: 19 times
I could be way out in left-field (not sure of model or year) but this sounds like a broken speedometer cable. It's an easy fix should this be the case. Price for a new one is $40 - 50.

#2

Synapse120
Posts: 25
Joined: Sat Jan 15, 2022 3:16 am
Has thanked: 2 times
Been thanked: 8 times
Yeah i realize i forgot to mention the year, its a 1987 944 NA. So no cable to the speedo.

#3

User avatar
Tom
Site Admin
Posts: 8589
Joined: Fri Jun 25, 2021 2:04 pm
Location: Silicon Valley, CA
Has thanked: 894 times
Been thanked: 3858 times
Contact:
Synapse120 wrote: Tue Jan 24, 2023 5:49 am Yeah i realize i forgot to mention the year, its a 1987 944 NA. So no cable to the speedo.

Missed this question. Let me look at the connector numbers on my bench tester and get back to you here.

#4

Synapse120
Posts: 25
Joined: Sat Jan 15, 2022 3:16 am
Has thanked: 2 times
Been thanked: 8 times
Tom wrote: Tue Jan 24, 2023 7:12 am
Synapse120 wrote: Tue Jan 24, 2023 5:49 am Yeah i realize i forgot to mention the year, its a 1987 944 NA. So no cable to the speedo.

Missed this question. Let me look at the connector numbers on my bench tester and get back to you here.
Hey Tom, have you had time to look at your bench tester pin out and voltages?

#5

User avatar
Tom
Site Admin
Posts: 8589
Joined: Fri Jun 25, 2021 2:04 pm
Location: Silicon Valley, CA
Has thanked: 894 times
Been thanked: 3858 times
Contact:
Synapse120 wrote: Wed Jan 25, 2023 3:09 pm
Tom wrote: Tue Jan 24, 2023 7:12 am
Synapse120 wrote: Tue Jan 24, 2023 5:49 am Yeah i realize i forgot to mention the year, its a 1987 944 NA. So no cable to the speedo.

Missed this question. Let me look at the connector numbers on my bench tester and get back to you here.
Hey Tom, have you had time to look at your bench tester pin out and voltages?
Heading out for PT, but will check tonight. Remind me if I forget -- I am easily distracted these days....

#6

User avatar
Tom
Site Admin
Posts: 8589
Joined: Fri Jun 25, 2021 2:04 pm
Location: Silicon Valley, CA
Has thanked: 894 times
Been thanked: 3858 times
Contact:
So I just checked my test cluster and confirmed the speedometer works with nothing more than 12v, Gnd, and the sensor pulse. In Plug B (the vertical connector), I have pins 1 and 2 grounded; pins 4 and 13 connected to 12 volts; and pin 14 connected to the sensor. The speedometer runs with those wires and nothing else connected to any of the connectors. I'd hook up those wires (only) and see if you get life from the speedometer by tapping ground on 14. If not, I'd pull the speedometer from the cluster and see if you can get life from it that way (to eliminate the possibility of the cluster itself causing issues). I can dig up the hook-up for that for you if needed....

#7

Synapse120
Posts: 25
Joined: Sat Jan 15, 2022 3:16 am
Has thanked: 2 times
Been thanked: 8 times
Tom wrote: Thu Jan 26, 2023 6:46 pm So I just checked my test cluster and confirmed the speedometer works with nothing more than 12v, Gnd, and the sensor pulse. In Plug B (the vertical connector), I have pins 1 and 2 grounded; pins 4 and 13 connected to 12 volts; and pin 14 connected to the sensor. The speedometer runs with those wires and nothing else connected to any of the connectors. I'd hook up those wires (only) and see if you get life from the speedometer by tapping ground on 14. If not, I'd pull the speedometer from the cluster and see if you can get life from it that way (to eliminate the possibility of the cluster itself causing issues). I can dig up the hook-up for that for you if needed....
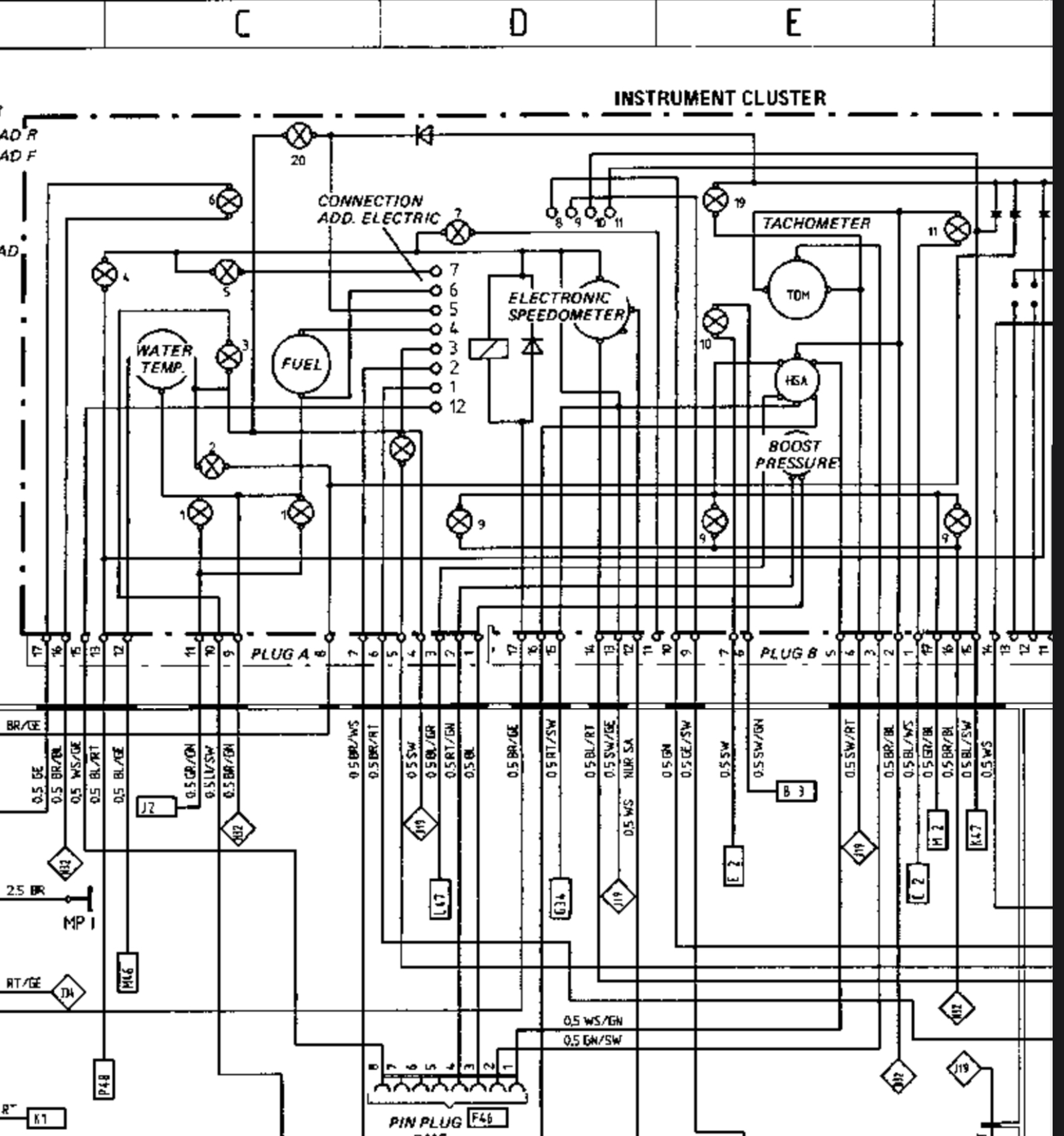
Tapping ground with that hookup also moves the needle on my speedometer on my bench. I need to go test the connectors in the car with a volt ohm meter on those same pins. From reading the wiring diagram for a 1987 944 pin 13 goes to the passenger door wire harness. And Pin 4 goes there also (Both Connection points go to field connection J19)
5F6DF072-875D-42F4-B0E1-D6A09FD1FCCD.jpeg
5F6DF072-875D-42F4-B0E1-D6A09FD1FCCD.jpeg (728.85 KiB) Viewed 1588 times

#8

User avatar
Tom
Site Admin
Posts: 8589
Joined: Fri Jun 25, 2021 2:04 pm
Location: Silicon Valley, CA
Has thanked: 894 times
Been thanked: 3858 times
Contact:
My first guess is that the sensor is just bad, no? Pull the connector off the sensor with the cluster installed and tap the sensor connector pin to ground. If that works, it's almost surely the sensor itself. If that does not work, then it's almost surely something in the wiring to the cluster.

#9

Synapse120
Posts: 25
Joined: Sat Jan 15, 2022 3:16 am
Has thanked: 2 times
Been thanked: 8 times
Tom wrote: Thu Jan 26, 2023 7:36 pm My first guess is that the sensor is just bad, no? Pull the connector off the sensor with the cluster installed and tap the sensor connector pin to ground. If that works, it's almost surely the sensor itself. If that does not work, then it's almost surely something in the wiring to the cluster.
A while back I checked continuity from the sensor wire to pin 14 in the cluster. I got a “used” supposedly good impulse sender from a parts puller. If all checks out from there I’ll bite the bullet and get a new sensor.

I built a 3d model that goes into the impulse sender (Square end) and has a hole for a small DC motor to simulate the gear/transmission/diff spinning to try and simulate ground pulse from the sender and tested the one that came in the car when i bought it and no needle movement. I’ll pull the used one that is currently in the car as a way to test that sender, and if i buy a new one, I’ll validate that as well.
I need to tweak my 3d model to fit the sender right off the 3d printer, but if there is a desire for folks to test using my model I’ll be happy to post it on this site when I’m done tweaking the dimensions.
A9FD3377-4168-4CAE-A653-0C53E5EFD078.jpeg
A9FD3377-4168-4CAE-A653-0C53E5EFD078.jpeg (1.43 MiB) Viewed 1579 times

#10

Post Reply