Oil pan gasket sealing
- Drscottsmith
- Posts: 230
- Joined: Thu Feb 16, 2023 5:43 pm
- Has thanked: 3 times
- Been thanked: 15 times
I see in the WSM the method for removal (ugh). Is there a proper test method to see if it is not sealing properly (e.g. remove the cam tower and do "XX"?
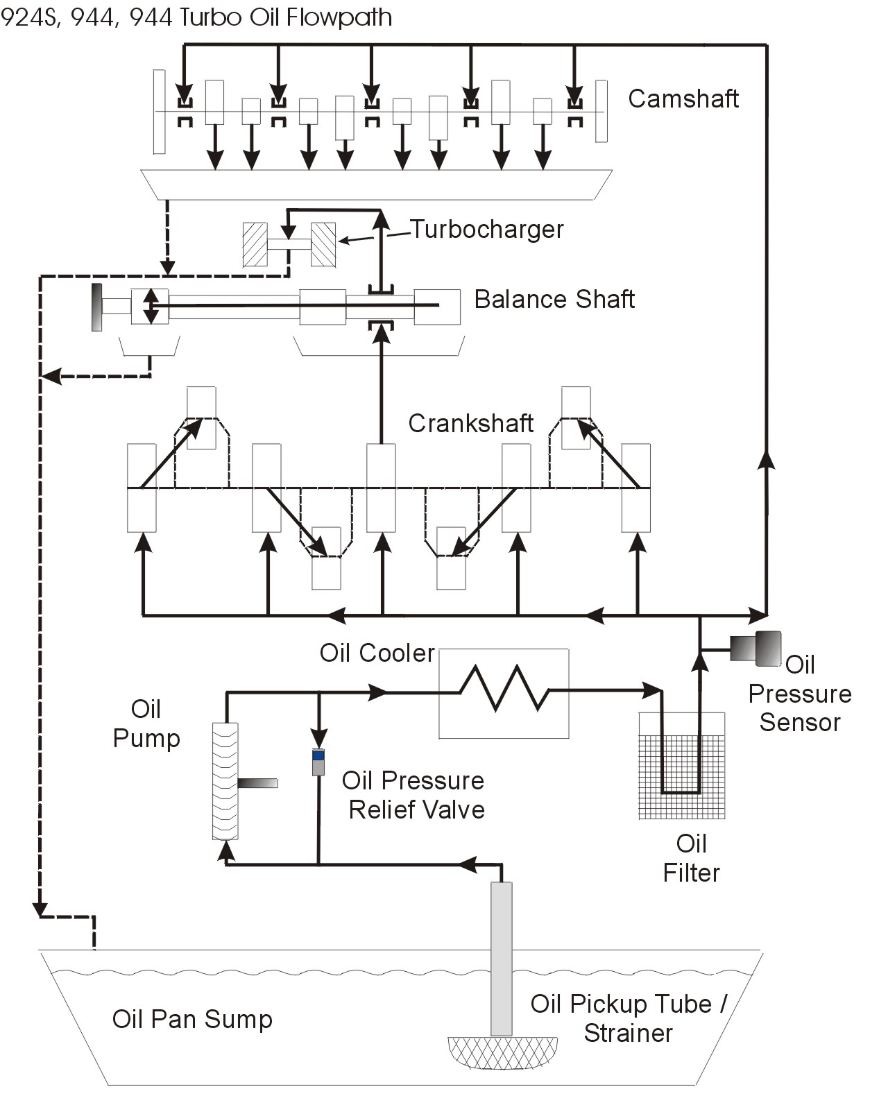
I still do not understand the "connection" between this valve and the OPRV in the block - and what kids of interaction may or may not be occurring in this particular situation to cause drain back. In other words, if the engine is going to 5 bar when primed properly, does that rule out the OPRV altogether or could that somehow still be an issue?
Just trying to avoid as much surgery (again) as possible!
Thanks as always!
I still do not understand the "connection" between this valve and the OPRV in the block - and what kids of interaction may or may not be occurring in this particular situation to cause drain back. In other words, if the engine is going to 5 bar when primed properly, does that rule out the OPRV altogether or could that somehow still be an issue?
Just trying to avoid as much surgery (again) as possible!
Thanks as always!
- Thom
- The First Carpoke!
- Posts: 542
- Joined: Sat Jun 26, 2021 2:31 am
- Has thanked: 132 times
- Been thanked: 147 times
Oil in the cam housing would drain back if the spring did not push the ball back down onto its seat but I am not sure how any debris could make its way up there to prevent this, especially after the oil filter. Could the spring bind and cause issues? If the spring breaks, could pieces block the ball somehow?
Not sure I understand what I see on your pictures as from what I can remember there might normally be some sort of plug topping the hole housing the ball and spring. Anyone proficient with these early heads may have some better input?
Not sure I understand what I see on your pictures as from what I can remember there might normally be some sort of plug topping the hole housing the ball and spring. Anyone proficient with these early heads may have some better input?
'90 944 turbo
- Tom
- Site Admin
- Posts: 8580
- Joined: Fri Jun 25, 2021 2:04 pm
- Location: Silicon Valley, CA
- Has thanked: 892 times
- Been thanked: 3854 times
- Contact:
After mulling this more, I'd want to re-visit the OPRV in the oil filter console. I was initially discounting that because it's a bypass valve and therefore should not affect the prime if it's stuck, but if it sticks open, especially with the front of the engine elevated, it seems like it opens up a drain path for the oil pump. It's also the kind of thing that can happen when a car sits a long time -- much more so than spontaneous cracks, etc. If it's a 3-piece valve, I'd remove it completely and make sure the sleeve is still firmly in the block, then either clean it all until it sparkles and reinstall carefully with the factory alignment tool, or (better yet) replace it with a one-piece retro OPRV. After sleeping on it, this seems like the most likely culprit, and if nothing else, it's easier and worth trying before pulling the pan/pump, etc.
- Thom
- The First Carpoke!
- Posts: 542
- Joined: Sat Jun 26, 2021 2:31 am
- Has thanked: 132 times
- Been thanked: 147 times
I believe the piston on the early, 3-piece OPRV can rust in worst cases and get stuck in the bore or at least not slide as freely as it should.
However a stuck piston in the non-running position would cause pressure to read 5 bar right away upon start up rather than the opposite? Just thinking out loud.
However a stuck piston in the non-running position would cause pressure to read 5 bar right away upon start up rather than the opposite? Just thinking out loud.
'90 944 turbo
- Tom
- Site Admin
- Posts: 8580
- Joined: Fri Jun 25, 2021 2:04 pm
- Location: Silicon Valley, CA
- Has thanked: 892 times
- Been thanked: 3854 times
- Contact:
I think that's all right. What I'm thinking is that it's getting stuck open, allowing the oil to drain out of the pump when it sits a bit. In theory, I believe that could explain all the symptoms. The lack of consistency is the nature of sticky parts. The loss of prime would be due to the pump draining out the open OPRV. The difficulty priming would be due to the valve sticking until oil starts flowing. Just a theory, of course, but seems plausible enough to me that I'd want to try new retro valve before pulling the rest of the motor apart. I'd remove the console and OPRV and inspect the whole shabang including the port in the block.Thom wrote: Tue Apr 23, 2024 8:07 am I believe the piston on the early, 3-piece OPRV can rust in worst cases and get stuck in the bore or at least not slide as freely as it should.
However a stuck piston in the non-running position would cause pressure to read 5 bar right away upon start up rather than the opposite? Just thinking out loud.
- Drscottsmith
- Posts: 230
- Joined: Thu Feb 16, 2023 5:43 pm
- Has thanked: 3 times
- Been thanked: 15 times
Thanks guys -
Yes it is much easier to pull and check the OPRV for starters. Will do that, take some pics/video and report back.
Thanks for all of the time and thought to assist!
Yes it is much easier to pull and check the OPRV for starters. Will do that, take some pics/video and report back.
Thanks for all of the time and thought to assist!
-
michaelmount123
- Posts: 298
- Joined: Fri Jul 09, 2021 7:51 am
- Has thanked: 25 times
- Been thanked: 178 times
-
michaelmount123
- Posts: 298
- Joined: Fri Jul 09, 2021 7:51 am
- Has thanked: 25 times
- Been thanked: 178 times
I don't have a lot of experience with OPRV's since I often didn't use them in the race engines. I placed a call to my Uncle Google and found this 2007 comment from Chris White. Where are you Chris? I presume you have the 3 piece OPRV DrScott?
Per Chris White / 944 Enhancement:
"If you do reuse you 3 piece valve then keep a close eye on the oil pressure for a while. They can be very temperamental when they are reinstalled.
I would recommend the updated version – the down side on keeping your old one is sudden oil pressure loss – and you never know when!"
If we accept the OPRV as the culprit, I'd expect the check valve in the cylinder head to be fine. The lifters are surely going to clatter with no oil pressure.
See Porsche 944 Technical Bulletin #3!
Per Chris White / 944 Enhancement:
"If you do reuse you 3 piece valve then keep a close eye on the oil pressure for a while. They can be very temperamental when they are reinstalled.
I would recommend the updated version – the down side on keeping your old one is sudden oil pressure loss – and you never know when!"
If we accept the OPRV as the culprit, I'd expect the check valve in the cylinder head to be fine. The lifters are surely going to clatter with no oil pressure.
See Porsche 944 Technical Bulletin #3!
- Drscottsmith
- Posts: 230
- Joined: Thu Feb 16, 2023 5:43 pm
- Has thanked: 3 times
- Been thanked: 15 times
Well here is a video for you to enjoy…
- Add Pictures/Files
-
- IMG_0437.jpeg (5.6 MiB) Viewed 498 times
-
- IMG_0438.jpeg (4.84 MiB) Viewed 498 times
